一、事项名称
外商投资企业企业注销登记“一件事”
二、联办事项/涉及事项
(一)税务注销;
(二)企业注销登记;
(三)海关报关单位备案注销;
(四)注销社会保险登记;
(五)银行账户注销;
(六)企业印章注销;;
(七)注销医疗保险登记;
(八)住房公积金单位销户。
三、设定依据
1.《国务院关于进一步优化政务服务提升行政效能推动“高效办成一件事”的指导意见》(国发[2024]3号);
2.国家市场监管总局等把八部门《关于进一步优化政务服务提升行政效能推进“高效办成一件事”的实施意见》。
四、实施机构
临沂市市场监管局牵头,公安、人社、医保、住建、人民银行、海关、税务等部门联办。
五、法定办结时限
17个工作日
六、承诺办结时限
1个工作日
七、结果名称
《登记通知书》
八、结果样本
结果样本详见附件1。
九、收费标准及依据
不收费。
十、申请材料
申请材料清单(以公司为例)
注销方式 |
材料名称 |
来源渠道 |
材料 类型 |
材料 形式 |
材料 份数 |
填报须知 |
普通注销 |
企业注销登记一件事申请书 |
系统生成或“一窗通”网站下载 |
原件 |
纸质或电子 |
1 |
填写内容准确、清晰、完整,内容真实。 |
股东会决议、股东决定 |
系统生成或企业自制 |
原件 |
纸质或电子 |
1 |
有限责任公司由代表三分之二以上表决权的股东签署确认;一人有限责任公司由股东签署确认;股份有限公司由股东大会会议主持人及出席会议的董事签字确认。 |
清算报告 |
系统生成或企业自制 |
原件 |
纸质或电子 |
1 |
清算组成员签署并经股东确认。 |
清税证明 |
税务局出具 |
原件 |
纸质或电子 |
1 |
通过数据共享可免于提交 |
营业执照正、副本 |
|
原件 |
纸质 |
1 |
已领取纸质版营业执照的缴回营业执照正、副本 |
简易注销 |
企业注销登记一件事申请书 |
系统生成或“一窗通”网站下载 |
原件 |
纸质或电子 |
1 |
填写内容准确、清晰、完整,内容真实。 |
全体投资人承诺书 |
系统生成或“一窗通”网站下载 |
原件 |
纸质或电子 |
1 |
填写准确、清晰、完整,内容真实,并全体投资人签署。 |
营业执照正、副本 |
|
原件 |
纸质 |
1 |
已领取纸质版营业执照的缴回营业执照正、副本 |
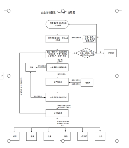
十一、办理流程

十二、办理形式
(一)线上办理:
方式一:申请人登录“爱山东”政务服务网(http://zwfw.sd.gov.cn),点击澳门马会传真主页面“高效办成一件事”专区,选择企业“一件事”--“企业退出”--“企业注销登记一件事”,按照系统提示填写申请信息并上传申请材料。
方式二:申请人登录山东省企业开办“一窗通”服务平台(http://218.57.139.23:10010/psout/)--“注销登记”--“一般注销”或“简易注销”,按照系统提示填写申请信息并上传申请材料。
(二)线下办理:
申请人携带纸质申请材料到临沂市政务服务中心一楼外国人来临投资工作服务专区窗口递交申请材料。
十三、办理地点
临沂市兰山区北京路8号临沂市政务服务中心一楼外国人来临投资工作服务专区窗口。
十四、办理时间
工作日9:00-17:00,非工作日预约服务。
十五、咨询电话
0539-8770172,0539-8770170
十六、监督投诉电话
0539-2032100
十七、事项类型
联办事项
十八、快递物流
结果材料提供免费物流快递。
附件:结果样本
登记通知书
( )登字〔 〕第 号
(市场主体名称):
你单位提交的设立(变更、注销)登记申请材料齐全,符合法定形式,我局予以登记。
(登记机关盖章)
年 月 日
注:1、本通知书适用于市场主体的设立、变更、注销登记;
2、名称变更登记的,各登记机关可依据市场主体需求在本通知书载明名称变更内容,但各登记机关应当鼓励市场主体自行查阅属于公示信息的登记(备案)内容。
3、公司因合并分立申请登记的,各登记机关可在本通知书载明公司合并分立内容。
4、个体工商户未申报名称的,在填写市场主体名称的横线部分填写申请人姓名。